Nissan Micra K13 2010-2017 Service Manual – Workshop Manual PDF Download
$29.99 Original price was: $29.99.$9.99Current price is: $9.99.
The Nissan Micra K13 2010-2017 Service Manual is a comprehensive repair guide provided in PDF format and written in English. This digital product includes detailed procedures, diagrams, and technical information for maintenance and repairs. Enjoy instant access immediately after purchase with no physical shipping required.
Nissan Micra K13 2010-2017 Service Manual PDF – Complete Workshop Repair Guide
The Nissan Micra K13 2010-2017 Service Manual is a comprehensive factory-style workshop manual designed for professional mechanics and car owners alike. This digital PDF download provides step-by-step repair procedures, technical specifications, and detailed diagrams. Whether you’re performing routine maintenance or complex repairs, this workshop repair guide gives you everything you need in one convenient file.
🌐 Manual Details
This factory service manual provides detailed procedures and technical data to help you service and repair your vehicle with confidence.
- Language: English
- Pages: Varies by section
- Format: PDF
- Compatibility: PC, Mac, Tablets, and Smartphones
📌 Content Included
This Nissan Micra K13 2010-2017 Service Manual covers a wide range of systems and components to ensure complete vehicle servicing:
- Accelerator Control System (ACC)
- Airbag System and Safety Components
- Audio Visual and Navigation System
- Body Control System and Body Repair
- Brake System and Brake Control
- Charging System and Electrical Power Supply
- Clutch System
- Cooling System
- Cruise Control System
- Defogger and HVAC Systems
- Door Lock and Security Systems
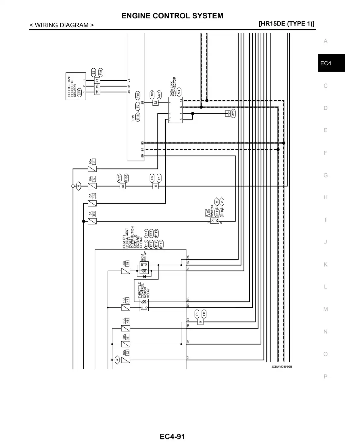
- Engine Control System (Diesel & Gasoline)
- Engine Mechanical and Lubrication
- Exhaust System
- Exterior and Interior Lighting
- Front and Rear Axle
- Suspension (Front & Rear)
- Fuel System
- Horn System
- Instrument Panel and Interior Components
- LAN System and Electrical Network
- Maintenance Procedures
- Mirrors and Body Accessories
- Parking Brake System
- Power Control System
- Power Windows and Power Outlet
- Roof and Body Panels
- Seat Belts and Seat Systems
- Security and Immobilizer System
- Sonar System
- Complete Wiring Diagrams and Troubleshooting Guides
🚘 Suitable For
These workshop repair manuals are suitable for the following model years:
- 2010 Nissan Micra K13
- 2011 Nissan Micra K13
- 2012 Nissan Micra K13
- 2013 Nissan Micra K13
- 2014 Nissan Micra K13
- 2015 Nissan Micra K13
- 2016 Nissan Micra K13
- 2017 Nissan Micra K13
💡 Ideal For
- Owners who want to maintain and repair their own vehicle
- Independent workshops and professional mechanics
- Automotive students and trainee technicians
- Anyone needing a detailed OEM-style repair guide and wiring diagrams
📥 Download Instructions
Instant access: The manual is available immediately after purchase as a secure digital download.
You will receive a PDF file containing a direct Google Drive download link to the complete workshop manual.
⚠️ Please Note
Digital product only: No physical book or CD will be shipped. This is a downloadable PDF workshop manual.
Download now and start repairing your vehicle today with this comprehensive workshop manual.
Get instant access now and keep your Nissan Micra K13 running at its best.
⚠️ Please Note
Digital download only. No physical item will be shipped.
✅ Instant Access After Payment
- After checkout, a Download button will appear on your Order Received page.
- You can also access your files anytime from My Account → Downloads.
📩 Download Link by Email
- You will receive an email confirmation that includes a PDF file.
- The PDF contains download links and step-by-step instructions.
🛠 Need Help?
If you don’t see the email, please check your Spam/Junk folder.
For support, contact us at: manualup.team@gmail.com
Related products
Infiniti G35 2003 To 2007 Coupe Sedan Service Manual – Workshop Repair Manual PDF Download
Infiniti G35 2003-2007 Coupe & Sedan Service Repair Manual (PDF, English) is a comprehensive factory-style guide for maintenance, diagnostics, and repairs. This digital product is delivered in PDF format and is fully compatible with PC, Mac, tablets, and smartphones. Enjoy instant access immediately after purchase with a secure download link.

Reviews
There are no reviews yet.